contenu
menu
navigation
pied de page
Attention, votre navigateur ne supporte pas le javascript ou celui-ci a été désactivé. Certaines fonctionnalités de ce module sont restreintes.
OUTILS POUR L'INGENIERIE
Mode :
Cours
Menu :
COURS
COMMUNICATION TECHNIQUE, SCHÉMATISATION
1 LES DIFFÉRENTS PLANS
DESSIN D'ENSEMBLE
DESSIN DE DÉFINITION
DESSIN ÉCLATÉ
DESSIN EN PERSPECTIVE
2 GÉNÉRALITÉS DU DESSIN TECHNIQUE
3 LES OUTILS INFORMATIQUES DE MODÉLISATION 3D
MODÉLISATION CINÉMATIQUE
TECHNOLOGIE DE BASE
TRAVAUX DIRIGÉES
ÉVALUATION ET TEST
Contenu :
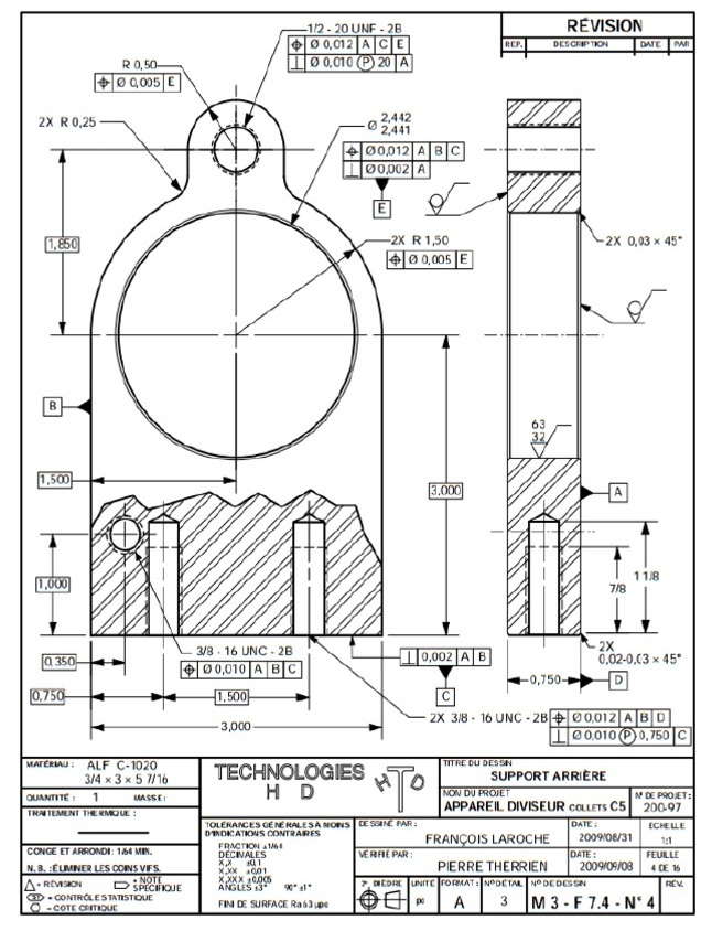
DESSIN DE DÉFINITION
Fondamental
:
C'est le dessin qui définit une seule pièce. Il précise toutes les tolérances dimensionnelles et géométriques nécessaires au bon fonctionnement de la pièce dans le système. Il est utilisé pour la fabrication de la pièce.
Navigation :
Précédent
|
Suivant
Accueil
|
Imprimer
|
|