Exercice 5 : Train compensateur de bulldozer
Simulation :
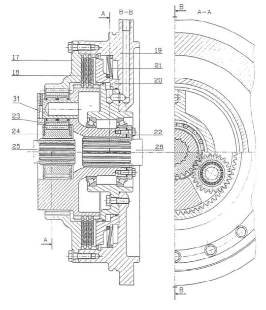
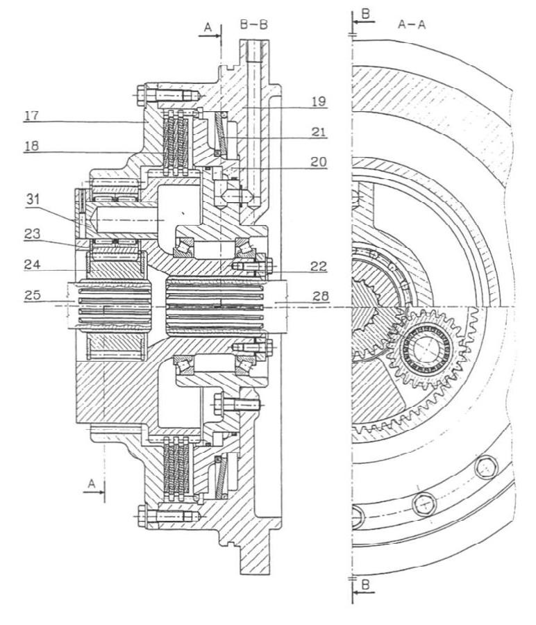
Un train compensateur est un élément de transmission de puissance que l'on retrouve sur les bulldozers. Il permet notamment d'adapter la vitesse de rotation délivrée par le moteur pour les roues motrices des chenilles droites et gauche. L'objectif de cette étude est de vérifier une performance du réducteur du train compensateur dont on donne un extrait du cahier des charges fonctionnel ainsi que le dessin d'ensemble.
|
Q.1. Identifier les classes d'équivalence cinématique sur le dessin d'ensemble (INDICE : il s'agit d'un train épicycloïdal simple).
Q.2. Construire le schéma cinématique du réducteur dans le même plan que le dessin d'ensemble (coupe BB)
Q.3. Calculer le rapport de réduction du réducteur et conclure vis-à-vis du cahier des charges.
Données : Z25 = 32, Z23 = 23, Z17 = 78







