contenu
menu
navigation
pied de page
Attention, votre navigateur ne supporte pas le javascript ou celui-ci a été désactivé. Certaines fonctionnalités de ce module sont restreintes.
OUTILS POUR L'INGENIERIE
Mode :
Cours
Menu :
COURS
TRAVAUX DIRIGÉES
TD1 : REPRÉSENTATION GRAPHIQUE
TD2 : SCHÉMATISATION MÉCANISME
TD3 : ÉTUDE DU COUPE TUBE
TD4 : REPRÉSENTATION GRAPHIQUE D'UN ASSEMBLAGE FILETÉE
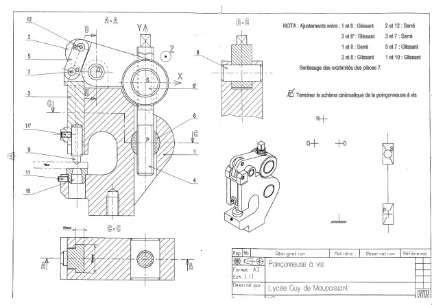
TD5 : ÉTUDE DE LA POINÇONNEUSE A VIS
Introduction
Support d'étude : Poinçonneuse à vis
Appréhender le fonctionnement du mécanisme :
Schématisation du mécanisme :
ÉVALUATION ET TEST
Contenu :
Schématisation du mécanisme :
Méthode
:
Colorier sur le plan du dessin d'ensemble fourni les classes d'équivalence.
Méthode
:
Réaliser le graphe des liaisons par rapport au repère indiqué.
Méthode
:
Réaliser le schéma cinématique 2D sur le dessin d'ensemble
Méthode
:
Réaliser les schémas cinématiques 2D et 3D en perspective isométrique.
Navigation :
Précédent
|
Suivant
Accueil
|
Imprimer
|
|