LA COTATION
Fondamental : Objectif : définir les dimensions des pièces et les zones de tolérances associées
Méthode : Outils :
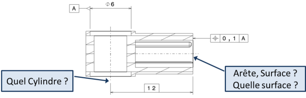
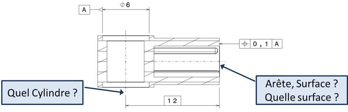
Tolérancement dimensionnel: 20±0.2
Distance entre deux plans, Plan/Axe, Diamètre + Intervalle de tolérance
Tolérancement géométrique : 
Forme, position ou orientation des surfaces entre elles









