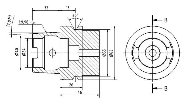
VUE EN COUPE
Fondamental : Principe de la coupe :
Le plan de coupe est représenté par un traits mixte fin terminé par deux traits forts munis de flèches repérées par une Lettre majuscule. Les flèches orientes la projection orthogonale.

Fondamental : Les hachures
Lors de la projection de la partie coupée on vient hachurer les zones où la matière a été coupée. Les hachures sont représentées en trait continu fin oblique (30°, 45°, 60°, ...) Lors de la réalisation de la vue en coupe on doit respecter les règles suivantes :
Certains éléments ne sont jamais coupés longitudinalement (dans la longueur) :
|
Pour reconnaître plus facilement la famille de matière à laquelle appartient une pièce on emploie des types de hachures spécifiques. Les hachures des catégories de matière que l'on retrouve fréquemment en construction mécanique sont les suivantes :







